Description des produits
- Le coude de rue femelle/mâle NPT haute pression 3 000 lb est un raccord de tuyauterie forgé conçu pour des changements de direction à 90 - degrés dans les systèmes de tuyauterie. Doté d'une extrémité filetée mâle et d'une extrémité femelle, ce coude de rue permet une connexion directe sans avoir besoin de raccords supplémentaires, ce qui rend l'installation plus efficace et peu encombrante.
- Fabriqué à l'aide d'une technologie de forgeage avancée, il offre une résistance supérieure, d'excellentes performances d'étanchéité et une durabilité à long terme-dans des conditions de haute-pression. Fabriqué en acier inoxydable de haute-qualité, il offre une résistance exceptionnelle à la corrosion et convient à un large éventail d'applications industrielles exigeantes.
Spécification des produits
|
Taper |
Coude de rue |
Standard |
ASTM B16.11 |
|
Matériau du corps |
Acier au carbone, acier inoxydable, acier allié, acier super duplex, alliages à base de nickel-, etc. |
Garantie |
1 an |
|
Type de connexion |
Filetage femelle/mâle |
Pression |
3000LB/6000LB |
|
Fil |
NPT/BSPP/BSPT |
Taille |
1/8''-2'' |
|
Certificat |
OIN 9001 |
Fabrication |
Forgeage |
|
Médias |
Liquide, gaz, vapeur, huile |
Capacité de fabrication |
4000 pièces/mois |
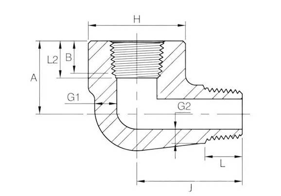
Dessins de produits

| ASME B16.11 Les dimensions sont en millimètres |
| Taille nominale | Diamètre extérieur | Du centre à l'extrémité féminine | Du centre à l'extrémité mâle | Mur du corps | Longueur du filetage femelle | Filetage femelle Longueur effective du filetage | Longueur du filetage mâle | ||
| DN | NPS | H | A | J | G1 (Min) |
G2⑴ (Min) |
B⑵ (Min) |
L2⑵ (Min) |
L (Min) |
| 3000Lb | |||||||||
| 6 | 1/8 | 19 | 19 | 25 | 3.18 | 2.74 | 6.4 | 6.7 | 10 |
| 8 | 1/4 | 25 | 22 | 32 | 3.3 | 3.22 | 8.1 | 10.2 | 11 |
| 10 | 3/8 | 32 | 25 | 38 | 3.51 | 3.50 | 9.1 | 10.4 | 13 |
| 15 | 1/2 | 38 | 28 | 41 | 4.09 | 4.16 | 10.9 | 13.6 | 14 |
| 20 | 3/4 | 44 | 35 | 48 | 4.32 | 4.88 | 12.7 | 13.9 | 16 |
| 25 | 1 | 51 | 44 | 57 | 4.98 | 5.56 | 14.7 | 17.3 | 19 |
| 32 | 1.1/4 | 62 | 51 | 66 | 5.28 | 5.56 | 17.0 | 18.0 | 21 |
| 40 | 1.1/2 | 70 | 54 | 71 | 5.56 | 6.25 | 17.8 | 18.4 | 21 |
| 50 | 2 | 84 | 64 | 84 | 7.14 | 7.64 | 19.0 | 19.0 | 22 |
| 6000Lb | |||||||||
| 6 | 1/8 | 25 | 22 | 32 | 5.08 | 4.22 | 6.4 | 6.7 | 10 |
| 8 | 1/4 | 32 | 25 | 38 | 5.66 | 5.28 | 8.1 | 10.2 | 11 |
| 10 | 3/8 | 38 | 28 | 41 | 6.98 | 5.59 | 9.1 | 10.4 | 13 |
| 15 | 1/2 | 44 | 35 | 48 | 8.15 | 6.53 | 10.9 | 13.6 | 14 |
| 20 | 3/4 | 51 | 44 | 57 | 8.53 | 6.86 | 12.7 | 13.9 | 16 |
| 25 | 1 | 62 | 51 | 66 | 9.93 | 7.95 | 14.7 | 17.3 | 19 |
| 32 | 1.1/4 | 70 | 54 | 71 | 10.59 | 8.48 | 17.0 | 18.0 | 21 |
| 40 | 1.1/2 | 84 | 64 | 84 | 11.07 | 8.89 | 17.8 | 18.4 | 21 |
| 50 | 2 | 102 | 83 | 105 | 12.09 | 9.70 | 19.0 | 19.0 | 22 |
Note:
(1) Epaisseur de paroi avant filetage.
(2) La dimension B est la longueur minimale du filetage parfait. La longueur du filetage utile (B plus les filetages avec des racines entièrement formées et des crêtes plates) ne doit pas être inférieure à L2 (longueur effective du filetage externe) requise par la norme nationale américaine pour les filetages de tuyaux (ANSI/ASME B1.20.1).
Caractéristiques des produits
- Acier inoxydable de qualité supérieure: Offre une excellente résistance à la corrosion et à l’oxydation, idéale pour les environnements difficiles.
- Plusieurs niveaux de pression: Disponible en 2000LB / 3000LB / 6000LB / 9000LB pour répondre aux exigences de votre système.
- Construction forgée : Le forgeage à haute-température élimine les défauts internes, offrant ainsi une solidité et une résistance aux chocs supérieures à celles des raccords moulés.
- Filetage de précision : Les filetages usinés CNC-garantissent des connexions étanches et-étanches avec les tuyaux filetés standard.
- Normes de produits:ASME 16.11, GB/T14383-2018,BS-3799 Conforme aux normes industrielles mondiales en matière de sécurité et de performance.
- Faible entretien : La surface lisse et non poreuse est facile à nettoyer et résistante à l'accumulation.
- Processus de fabrication :Alimentation → Ré-inspection → Découpe → Chauffage → Forgeage → Traitement thermique → Découpage des bords → Grenaillage → Perçage → Usinage → Marquage → Inspection → Emballage → Expédition
Applications de produits
- Pétrole et gaz
- Chimie & Pétrochimie
- Transformation des aliments et des boissons
- Fabrication pharmaceutique
- Traitement de l'eau et dessalement
- Production d'énergie
- Marine et offshore
- Plomberie industrielle et CVC
Notre service
1. 12 mois de garantie :
● Produits de grande qualité
● Nous garantissons la qualité de nos produits à 100 %
● Tous nos articles sont accompagnés d'une garantie pour vous offrir une tranquillité d'esprit.
● Nouveau garanti : tous nos articles sont à l'état neuf dans un emballage OEM ou original.
2. Acceptez tous les modes de paiement :
● Nous acceptons généralement T/T (virement bancaire), Western Union ou Paypal.
● Devise d'échange : USD ou RMB.
● Paiement TT 30 % d'acompte à l'avance, solde de 70 % payé avant expédition.
● (Commande d'échantillon) T/T/Western union 100 % à vue.
3. Emballage solide :
Notre méthode de colis est en parfait état, ou selon personnalisé.
4. Livraison rapide :
● Conditions d'expédition : CIF/CFR/FOB Ningbo/Shanghai Chine, Chine.
● Date d'expédition : peu de temps si en stock, 7 à 20 jours après réception du dépôt si les commandes groupées.
● Mode d'expédition : nous expédierons vos articles par mer, par avion ou par》(DHL, UPS, FedEx, TNT, EMS).
5. Service après-vente :
● Excellent service après-vente- : 24 heures 24 heures sur 24 et 12 mois de garantie.
● Service de maintenance-à vie pour les produits.
Pourquoi nous choisir
1. Qualité Stable avec des normes d'inspection strictes
2. Riche expérience dans la fourniture de vannes industrielles
3.OEM et solutions personnalisées disponibles
4. Livraison rapide et service fiable
FAQ
1. Êtes-vous un fabricant ou une société commerciale ?
Nous sommes un fabricant professionnel spécialisé dans les vannes et raccords en acier inoxydable et en laiton, avec une forte capacité OEM pour les marchés mondiaux.
2. Quel est votre MOQ ?
Produits standards : Faible MOQ, commandes à l'essai prises en charge
Produits personnalisés : dépend de la conception
Nous soutenons les petites commandes pour une première coopération.
3. Pouvez-vous produire selon des dessins ou des échantillons ?
Oui, nous soutenonsProduction OEM et sur mesure.
Nous pouvons développer des moules à partir de vos échantillons, notamment pourRaccords spéciaux 1 pièce.
4. Quels matériaux fournissez-vous ?
Acier inoxydable : SS304 / SS316
Laiton : HPb59-1 / HPb59-3 /HPb58-3/Laiton sans plomb
Des rapports de tests de matériaux (MTC) sont disponibles si nécessaire.
5. Quelle est votre pression nominale ?
Nos produits conviennent pour :
Applications moyennes à hautes pressions
Certains graisseurs peuvent dépasser10 000 livres par pouce carré
La pression exacte dépend du type et de la conception du produit.
6. Quel est votre délai de livraison ?
Stock / articles standards : 7 à 15 jours
OEM/personnalisé : 20 à 35 jours
Une production rapide peut être organisée pour les commandes urgentes.
Les clients stables peuvent négocier de meilleures conditions.
7. Vers quels marchés exportez-vous principalement ?
Nous avons une riche expérience dans :
USA
Europe
Moyen-Orient
Nous connaissons leurs normes et exigences de qualité.
8. Comment garantissez-vous la qualité ?
Inspection à 100 % avant expédition
Inspection de la jauge de filetage
Test de pression/étanchéité (si nécessaire)
Une inspection par un tiers-est acceptable.
9. Quelles normes de thread prenez-vous en charge ?
NPT (norme américaine)
BSPT / BSPP (norme européenne)
Nous pouvons vous aider à confirmer la compatibilité des threads.
10. Quel est votre emballage ?
Cartons Standard d'exportation + palettes
Protection antirouille-
Emballage personnalisé et marquage du logo disponibles.
11. Pouvez-vous proposer des prix compétitifs ?
Oui - nous proposonsprix très compétitifs sous le même niveau de qualité, en particulier pour-une coopération à long terme.
étiquette à chaud: Coude de rue femelle/mâle à haute pression de 3000LB NPT coude de rue fileté technique forgé à 90 degrés, raccords de tuyauterie forgés



























